ТИП 50202(50102) BS ГОЛОВКИ ДЕЛИТЕЛЬНЫЕ ПОЛУУНИВЕРСАЛЬНЫЕ И УНИВЕРСАЛЬНЫЕ
Описание
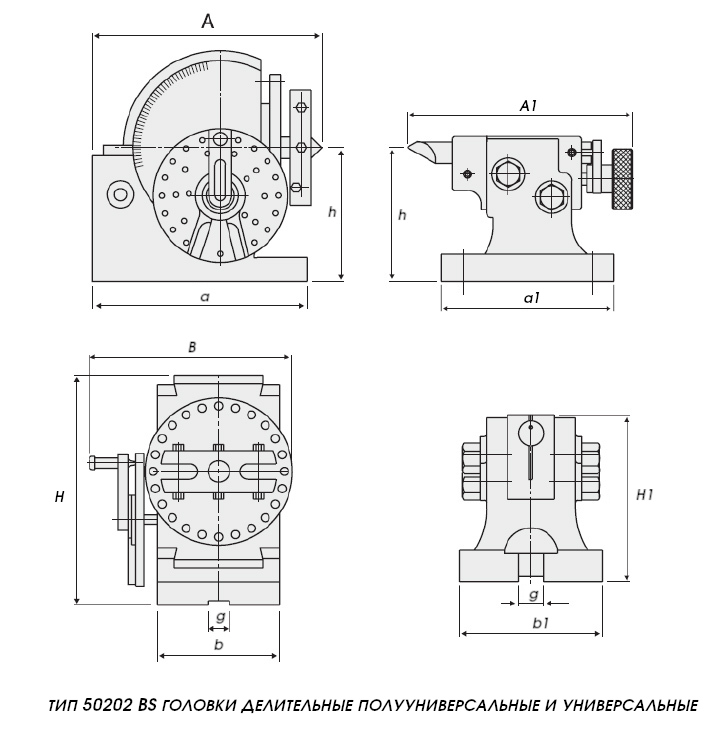
ТИП 50202(50102) BS ГОЛОВКИ ДЕЛИТЕЛЬНЫЕ ПОЛУУНИВЕРСАЛЬНЫЕ И УНИВЕРСАЛЬНЫЕ
ТИП 50202-Полууниверсальные BS-0 и BS-1
ТИП 50102-Универсальная BS-2
Головки типа BS являются одной из важнейших принадлежностей для фрезерных станков.
С помощью головок BS-0 и BS-1 можно производить прямое и простое деления или повернуть деталь на заданный угол, разделив поверхность на любые части в любых пропорциях. Прямое деление производится по окружности лимба шпинделя. С помощью 24 углублений для быстрого деления возможно разделить окружность на 2, 3, 4, 6, 8, 12 и 24 части. Простое деление производится с помощью трех делительных дисков из комплекта.
С помощью головок BS-2 можно дополнительно производить и дифференциальное деление, применив сменные шестерни из набора.
ТИП 50202-Полууниверсальные BS-0 и BS-1
ТИП 50102-Универсальная BS-2
Головки типа BS являются одной из важнейших принадлежностей для фрезерных станков.
С помощью головок BS-0 и BS-1 можно производить прямое и простое деления или повернуть деталь на заданный угол, разделив поверхность на любые части в любых пропорциях. Прямое деление производится по окружности лимба шпинделя. С помощью 24 углублений для быстрого деления возможно разделить окружность на 2, 3, 4, 6, 8, 12 и 24 части. Простое деление производится с помощью трех делительных дисков из комплекта.
С помощью головок BS-2 можно дополнительно производить и дифференциальное деление, применив сменные шестерни из набора.
| Артикул | A, мм | B, мм | H, мм | h, мм | a, мм | b, мм | g, мм | КМ в шпинделе |
Диаметр проходного отверстия |
Масса, кг |
| BS-0 | 193 | 140 | 173 | 100 | 166 | 90 | 16 | КМ2 | 18 | 23,8 |
| BS-1 | 242 | 168 | 220 | 128 | 206 | 113 | 16 | КМ3 | 20 | 35,8 |
| BS-2 | 370 | 280 | 236 | 133 | 212 | 134 | 16 | КМ4 | 73,0 |
| Артикул | A1, мм | B1, мм | H1, мм | h, мм | a1, мм | h1, мм | g1, мм |
| BS-0 | 175 | 87 | 107 | 100 | 130 | 92 | 16 |
| BS-1 | 183 | 87 | 137 | 128 | 158 | 110 | 16 |
| BS-2 | 183 | 87 | 156 | 133 | 175 | 122 | 16 |
Передаточное отношение головок 1 : 40
3 делительных диска в комплекте с делением на:
диск А: 15, 16, 17, 18, 19,20
диск В: 21, 23, 27, 29, 31, 33
диск С: 37, 39, 41, 43, 47, 49
Комплектация: делительная головка, задняя бабка, центр упорный, люнет, делительные диски, крепеж, переходный фланец для патрона, патрон трехкулачковый.Ппаншайба поставляется по заказу.
Головки BS-0 могут быть укомплектованы патроном токарным трехкулачковым 4" или 5"
Головки BS-1 могут быть укомплектованы патроном токарным трехкулачковым 5" или 6"
Головки BS-2 могут быть укомплектованы патроном токарным трехкулачковым 5", 6" или 8"






































































































































.jpg)





















.jpg)


































.jpg)






.jpg)












.jpg)























